13776369668
武峰管道
![]() |
![]() |
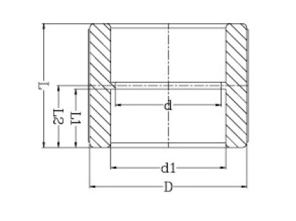
| Nominal | Socket Type | |||
| SIZE | d1 | D | L1 | L |
| 1/2" | 19.3 | 28.0 | 16.3 | 54.4 |
| 3/4" | 24.1 | 33.6 | 18.2 | 63.1 |
| 1" | 31.0 | 42.4 | 21.1 | 74,0 |
| 1-1/4" | 39.0 | 52.6 | 22.6 | 84.1 |
| 1-1/2" | 49.0 | 66.0 | 25.2 | 101.5 |
| 2" | 61.9 | 84.4 | 28.6 | 122.4 |
| 2-1/2" | 73.6 | 95.8 | 32.5 | 138.2 |
| 3" | 88.3 | 113.7 | 36.4 | 164.1 |
| 4" | 107.9 | 138.4 | 41.9 | 193.8 |
相關產品